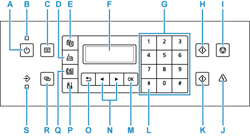
Panel operacyjny

- A: przycisk WŁ. (ON)
-
Służy do włączania i wyłączania zasilania. Przed włączeniem zasilania należy sprawdzić, czy pokrywa dokumentów jest zamknięta.
- B: Kontrolka WŁ. (ON)
- Po włączeniu zasilania miga, a następnie świeci światłem ciągłym.
- C: Przycisk MENU
- Wyświetla ekran Menu kopii (Copy menu), Menu skanowania (Scan menu) lub Menu FAKS (Fax menu).
- D: Przycisk SKANUJ (SCAN)
- Umożliwia przełączanie drukarki w tryb skanowania.
- E: Przycisk KOPIUJ (COPY)
- Umożliwia przełączanie drukarki w tryb kopiowania.
- F: Wyświetlacz LCD (ciekłokrystaliczny)
- Wyświetla komunikaty, pozycje menu i informacje o stanie aktywności urządzenia.
- G: Przyciski numeryczne
- Służą do wprowadzania wartości numerycznych, np. liczby kopii, a także do wprowadzania numerów faksów/telefonów i znaków.
- H: Przycisk Czarny (Black)
- Rozpoczyna kopiowanie, skanowanie lub wysyłanie faksu itp. w czerni i bieli.
- I: przycisk Stop
- Powoduje anulowanie operacji w trakcie realizowanego zadania drukowania, kopiowania, skanowania lub wysyłania/odbierania faksu.
- J: Kontrolka Alarm
- Świeci lub miga po wystąpieniu błędu.
- K: Przycisk Kolor (Color)
- Służy do rozpoczęcia kopiowania, skanowania, wysyłania faksu itd.
- L: Przycisk Tonowo (Tone)
- Umożliwia tymczasowe przełączenie wybierania na tonowe, jeśli drukarka jest podłączona do linii z wybieraniem impulsowym.
- M: Przycisk OK
- Zatwierdza wybór pozycji menu lub ustawienia. Ten przycisk służy również do usuwania błędów lub wyjmowania dokumentów znajdujących się w urządzeniu ADF (Automatycznym podajniku dokumentów).
- N: Przyciski
i 
-
Używane do wybierania pozycji ustawień. Służą również do wprowadzania znaków.
- O: Przycisk Wstecz (Back)
- Powoduje wyświetlenie poprzedniego ekranu na wyświetlaczu LCD.
- P: Przycisk Ustawienia (Setup)
- Powoduje wyświetlenie ekranu Menu ustawień (Setup menu). W menu tym można przeprowadzać konserwację drukarki oraz zmieniać jej ustawienia. Używany również do wybierania trybu wprowadzania.
- Q: Przycisk FAKS (FAX)
- Umożliwia przełączanie drukarki w tryb faksu.
- R: Przycisk Połączenie bezprzewodowe (Wireless connect)
- Aby ustawić informacje o routerze bezprzewodowym w drukarce bezpośrednio za pomocą smartfonu lub podobnego urządzenia (bez konieczności dokonywania zmian w routerze), naciśnij i przytrzymaj ten przycisk.
- S: Kontrolka Pamięć Faks (FAX Memory)
- Świeci, gdy w pamięci drukarki znajdują się odebrane lub niewysłane dokumenty.

